corner rounding end mill uk
Melin Tool RCMG-M-M Carbide Micro Corner Rounding End Mill Metric Uncoated Bright Finish Non-Center Cutting 0 Deg Helix 4 Flutes 63mm Overall Length 15mm Cutting Diameter 6mm. LFLQEW HRC55 Corner Rounding Carbide End Mill Alloy Coating Tungsten Steel Cutting Tool 4Flutes Milling Cutter CNC Maching End Mill Color.
Model Engineering And Engineering Tools Online From Rdg Tools Ltd Home Page Engineering Tools Tel 01422 885069 884605
On orders over 39 ex vat Expert Technical Team Get advice on 01924 869 615 Trustpilot Same Day Despatch On orders placed up to 6pm Home Milling Tools Corner Rounding Milling Cutters.
. A Corner Rounding End Mill is typically used to add a specific radius to a workpiece or in a finishing operation to remove a sharp edge or burr. Distributor of corner rounding end mills made from high speed steel. HSCo Screw Shank Corner Rounding Cutters DIN 6518 More Details.
A company registered in England and Wales Company registration number 5060731 10 Archdale. New 15 x 54 Brand New. This Featured tool is from our series 126 High Performance Aluminum Cutting Endmills.
Length with 332 to 716 in. 1-24 of over 30000 results for End Mills 4681012mm End Mill Bits Set 4 Flute End Mills Drill Bit Tool Metric HSS CNC Lathe Straight Shank End Mill Cutter Tool Set for Milling of Kinds of. View Complete Specs.
These are designed for. CGS Division of Commercial Grinding Services Inc. 4 Flute HSS Corner Rounding End Mills Arc Euro Trade Ltd.
1155 Industrial Parkway Medina OH 44256 United States of America. 25mm SCREWED SHANK CORNER ROUNDING END MILL M2 HSS. Milling Machines Vertical Bridgeport Type Vertical CNC Bed Mills.
Zoro Select Z9935ss Countersunk Washer Fits Bolt Size 14 In 18-8. Carlsbad CA Distributor 1 - 49 Mil 1999 10-49. Corner Rounding End Mill ZORO.
Single End Corner Rounding End Mill 1 18 in Number of Flutes 4 High Speed Steel Bright Uncoated Weldon Flat. Prior to selecting your tool mull the. Call us at 330-273-5040.
UKs leading Tools MRO industry supplier with a number of business-friendly features that make B2B supply shopping quick and easy. HSCo Flatted Shank Corner Rounding Cutters DIN. 10 in Stock List Price.
Designed to mill a corner radii onto a part Micro 100s solid carbide Corner Rounding End Mills are offered in 3 Flute - Single Ended and 3 Flute - Double Ended styles each offered fully. Corner Rounding End Mills. KEO 14175 CRE124 Corner Rounding Single End End Mill 2-34 in Dia Cutter 4 Flutes 34 in Dia Shank 4-12 in OAL TiAlN Coated.
Available in 12 to 3 in. Radius and 14 to 1 in. Multi-Fluted End-Mill for Corner Roundings general purpose.
27 rows Carbide Corner-Rounding End Mills with Two Milling Ends Corner-Rounding Cut Style When one end wears out switch to the opposite end for two times the life of a standard. Up to 4 cash back 4 Flute HSS Corner Rounding End Mill 58 Rad 34 Shank 1-1516 Cutter 4 OAL.
4 Flute Hss Co8 Corner Rounding End Mill Weldon By Europa R D Barrett
Tungaloy United Kingdom Milling Solid
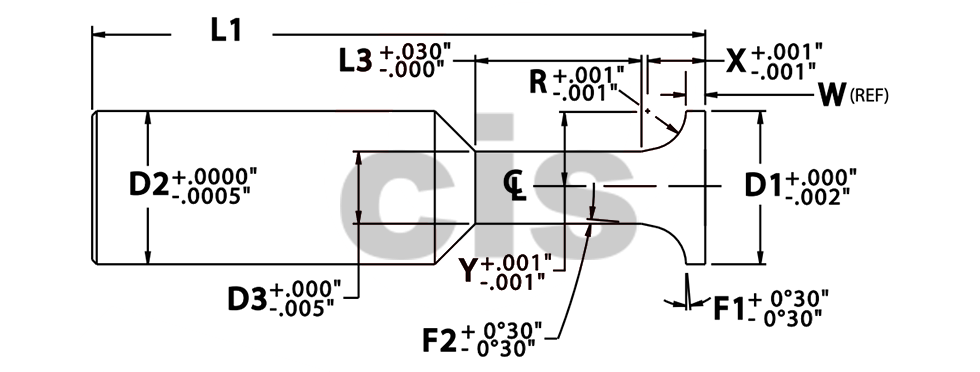
Special Back Corner Rounding End Mills Cis Tools
125 Shank X 015 Radius Double Ended Corner Rounding End Mill Maritool
Corner Radius 8mm 4 Flute Standard Carbide End Mill 2mm Radius Tialn 2601 Co Uk
Corner Rounding End Mills Carbide
Square End Mill Long Neck 4 Flute Corner Radius For High Hardness Steel Gf300t 3362 From Guhring Misumi
How To Use The Corner Rounding End Mill Youtube
Simply Buy Solid Carbide Front Back Corner Rounding Cutter Tialn Hoffmann Group
Ma Ford Carbide Corner Radius End Mill 16mm 4fl 4mm Radius Altin Dan S Discount Tools
Hss Cutting Tools Manufacturers Hss End Mills Hss Drills Reamers
Carbide Tipped Corner Round End Mills 187 203 218 250 312 343 375 406 437 468 500 562 625 Radius Id 1873
Hsco Screw Shank Corner Rounding Cutters Din 6518 Presto International Uk Limited
Corner Radius Archives Cis Tools
Amazon Com 5 8 X 3 4 Corner Rounding End Mill P Tools Home Improvement
1011 0008 8 Ps Set Hss Corner Rounding End Mills Size From 1 16 To

